,,,,,,,,

解決方案

SOLUTION

消防車液壓閥組
2019-01-23

首頁 > 解決方案 > 配套產品 > 液壓閥 > 消防車液壓閥組

消防車液壓閥組01.jpg

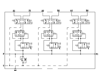
項目:?消防車液壓閥組
編號:?jc12


消防車平臺專用閥組,可用于平臺調平、平臺擺動及飛臂變幅等動作的控制。
The?valve?assembly?is?used?for?the?control?of?platform?leveling,?platform?swing,?jib?luffing?etc.?
?最大壓力:250?bar;
最大流量:80?L/min;?

消防車液壓閥組02.png

下一篇
上一篇